APS型石油化工流程离心泵是为满足我过石油化工装置现代化建设的需要,结合德国KSB公司和美国IR公司双吸泵技术,完全按照API610标准设计生产的石油化工流程泵,专用于原油、成品油、化工原料、中间产品和成品输送。具有可靠性高、使用寿命长、效率高等显著特点。
APS石油化工流程离心泵是为了满足我国石油化工装置现代化建设的需要,结合德国KSB公司和美国IR公司双吸泵技术,完全按照API610标准设计生产的石油化工流程泵,专用于原油、成品油、化工原料、中间产品和成品输送。具有可靠性高、使用寿命长、效率高等显著特点。
● APS型石油化工流程离心泵性能参数:
泵出口直径 DN:80-500
流量 Q :20-7000m3/h
扬程 H :7-300m
工作温度 T :-200℃-400℃
固体颗粒 ≤80mg/L
工作许用压力 ≤5Mpa
● APS型石油化工流程离心泵型号描述:
例:APS 250-450A-J
APS:石油化工流程泵
250:泵出口直径(mm)
450:标准叶轮直径(mm)
A:泵叶轮外径的改变(最大直径时不表示)
J:泵转速改变(原转速时不表示)
4、配套方案及适应场合
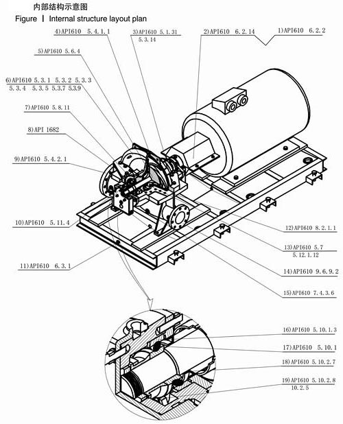
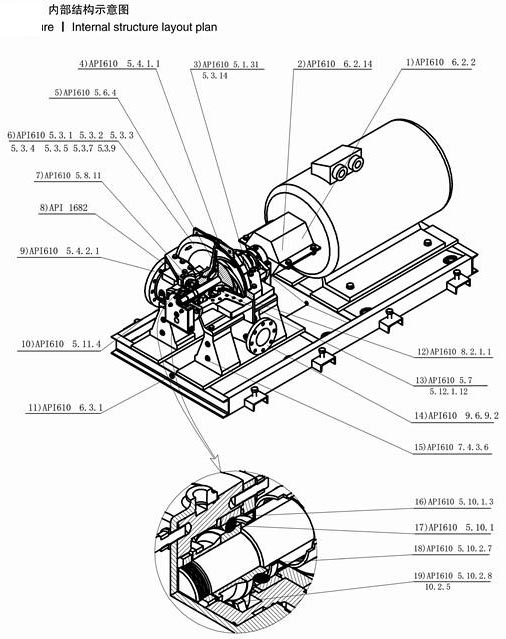
在没有特殊要求下,我们严格按照API610标准,对过流部件采取各种材质组合,以适应不同的介质条件,确保安全、可靠、经济运行。详见主要零件材质表。
一般结构
中间支撑结构

主要性能参数:
1)泵出口直径 DN:80-500mm
2)流量 Q:20-7000m3/h
3)杨程 H:7-300m
4)工作温度 T:-200℃-400摄氏度
5)固体颗粒 ≤80mg/L
6)工作许用压力 ≤5Mpa
欢迎致电:15116488660选型定制


TKX(S)/LKX(S)/LBX(S)立式斜流泵
LC型雨水泵
IS型单级单吸清水离心泵
GDL型多级管道离心泵
QW型无堵塞式潜水排污泵