API610防爆型石化卧式中开泵
水泵介绍:
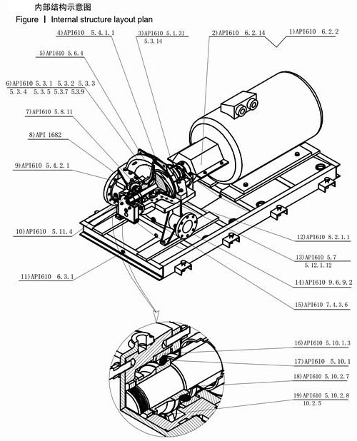
API防爆型石化卧式中开泵是为了满足我国石油化工装置现代化建设的需要,结合德国KSB公司和美国IR公司卧式双吸泵技术,完全按照API610标准设计生产的石油化工流程泵。
应用范围:化工、制药、石油、冶金、冶炼、电力、电镀、染料、农药、造纸、食品、纺织、自来水厂、灌溉、排水泵站、工业供水系统、空调系统、消防系统、船舶工业等行业;
流 量Q:20-7000m3/h,扬 程H:7-300m;
水泵材质:HT200、HT250、QT600、ZG、304、316、316L、317L、904L、CD4-MCu;
常见型号:API610;
进口口径:80-500mm,出口口径:80-500mm;
工作压力:5MPa,工作温度:400℃;

【性能特点】
国家实用新型技术
美国先进水力模型
三元流理论/三维软件设计
制造/加工/铸造/蜗壳























